技术性特表
| 容器类别 | 常压 | ||
|---|---|---|---|
| 参数名称 | 单位 | 纵向(管程) | 横向(壳程) |
| 最高工作压力 | Mpa | 0.4 | 0.5 |
| 最大流量: | Mpa | 0.4 | 0.5 |
| 最高温度 | ℃ | 98 | 195 |
| 设计温度 | ℃ | 98 | 195 |
| 介质 | 混酸 | 水蒸气 | |
| 主要材质 | 四氟浸渍石墨 | Q235B | |
| 设备换热面积 | ㎡ | 9 | |
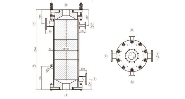
管口表
| 代号 | 内径 | 连接尺寸或连接标准 | 形式 | 用途 |
|---|---|---|---|---|
| A | 140 | 295,8-M20 | RF | 物料进口 |
| B | / | / | / | / |
| C | 150 | HG20592-2009 PL100-16 | RF | 水蒸气进口 |
| D | 150 | HG20592-2009 PL150-16 | RF | 物流出口 |
| E | / | / | / | / |
| F | 100 | HG20592-2009 PL100-16 | RF | 冷凝水出口 |
| T1~3 | / | / | / | 吊耳 |
