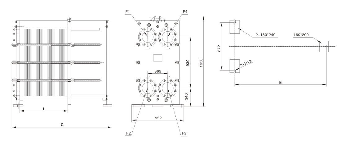
技术参数

型号:

BR0.6

最大组装面积:

300m²

最大流量:

700mm³/h

接管口径:

DN200mm

最高工作压力:

1.6Mpa

单片有效面积:

0.6m²

板片波纹深度:

3.8mm

板片厚度:

0.6mm

板片角孔尺寸:

200mm



优化型板片波纹,用于加热或冷却工艺要求

换热面积(m²)

75

160

230

300

夹紧尺寸L(mm)

550±0.5

1258±0.5

1680±0.5

2200±0.5

安装尺寸L(mm)

1355

2225

2985

3935

设备重量(KG)

1900

2300

2700

3000

RB.jpg

返回