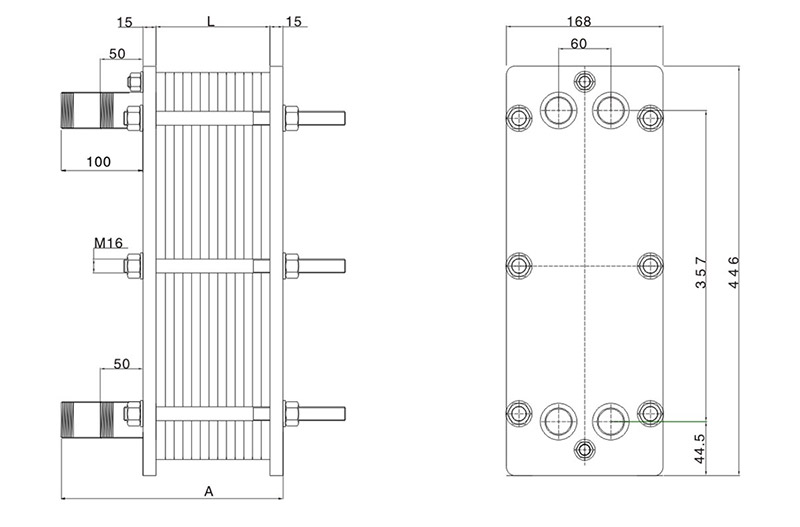
技术参数

型号:

YM3

最大组装面积:

3m²

最大流量:

10mm³/h

接管口径:

DN32mm

最高工作压力:

2.0Mpa

单片有效面积:

0.03m²

板片波纹深度:

2.5mm

板片厚度:

0.5mm

板片角孔尺寸:

32mm




应用
主要适用于小流量液-液交换及安装空间很小的场合,例如压缩机器油冷却,淬火液冷却等。



优化型板片波纹,用于加热或冷却工艺要求

换热面积(m²)

1

2

3

夹紧尺寸L(mm)

99±0.5

198±0.5

300±0.5

安装尺寸L(mm)

240

340

440

设备重量(KG)

30

40

50

ym3.jpg

返回